{{ title }}
{{ errorMessage }}


{{ errorMessage }}






{{ registerSuccessMessage }}

人力资源和社会保障局2024年政府信息公开工作年度报告

打印

一、总体情况

2024年,市人力资源和社会保障局深入学习贯彻中央、省和市关于政务公开工作有关规定,坚持以公开为原则、不公开为例外。把开展政府信息公开工作作为落实群众知情权、参与权、表达权、监督权,推进依法执政,建设服务型政府的重要举措,强化领导,多措并举,狠抓落实,政务公开能力和水平显著提升。

(一)主动公开政府信息

市人力资源和社会保障局切实发挥政务信息平台作用,围绕人社中心工作和全面深化人社领域改革重大任务,及时答复公开相关申请公开信息及问题,掌握舆论先手权、话语权。2024年我局通过政务客户端、微信公众号公开信息161条,抚远市政府网站主动公开各类政务工作信息118条。

(二)依申请公开情况

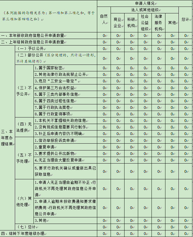
严格按照政府信息依申请公开制度规范开展答复工作,按照“快、优、实”要求,依法、依规、及时、准确回复信息申请。2024年度,人力资源和社会保障局无依申请公开事项。

(三)政务信息公开管理

高度重视政府信息公开工作,成立由主要领导担任组长的政务公开工作领导小组,配备专职工作人员,指定职能科室,将责任落实到人。建立健全政府信息公开申请受理答复各环节制度规范,完善政府信息公开工作机制,发布严格执行三级审查制度,对政务公开具体事项进行跟踪办理。坚持谁主办谁公开,严守保密原则,做到“应公开、尽公开”的同时,确保国家秘密安全。

(四)政府信息公开平台建设方面

建立健全制度,提升政务公开质量。严格审核公开内容,规范信息报送制度,公开的信息需报分管领导审批、经审核同意后才能进行公开。发挥官方门户网站第一平台作用,统筹推进社会保障、就业创业、人事人才、劳动关系等领域的信息公开,加强信息发布、解读和回应工作,实时更新动态,主动解疑释惑,增强政府信息公开实效。

(五)监督保障方面

为确保信息公开工作有序地发展,人力资源和社会保障局根据“谁公开、谁审查,谁审查、谁负责,先审查、后公开”的原则,全面落实目标责任,强化制度执行力,严格责任追究。在推进政府信息公开工作中,严格坚持政府信息公开保密工作程序,建立健全信息发布保密审查机制。

二、主动公开政府信息情况

三、收到和处理政府信息公开申请情况

四、政府信息公开行政复议、行政诉讼情况

五、存在的主要问题及改进情况

2024年,我局在开展政府信息公开实际工作中,取得一定成效,也存在一些不足。一是局机关各科室、直属各单位政策文件的公开意识有待提高;二是公开的内容重点不够突出,公开时效性需进一步加强;三是网站栏目存在信息发布不规范,问题整改不及时情况。

针对上述问题:一是组织开展政策文件公开培训,推动政务公开工作规范化、制度化、常态化;二是围绕中心工作,注重公开群众关心的热点、焦点问题,让群众应知尽知,注重信息公开内容的时效;三是加大对政府信息公开工作培训力度,定期开展督查检查,抓实问题整改,确保政府信息公开规范、有序、客观、真实。

六、其他需要报告的事项

无其他需要报告的事项,今年未收取信息处理费。

附件下载:人力资源和社会保障局2024年政府信息公开工作年度报告.docx


监审:李纯瑛

审核:潘慧文

编辑:薄三升




扫描右侧二维码
在手机打开此页